Controle de Volume V1

Introduction:


Les DSP travaillent en numérique et utilisent des convertisseurs DAC ou ADC qui même parmi les meilleurs introduisent une dégradation du signal.  Donc moins on utilise de conversion meilleur sera le résultat.

L’objectif est d’entrer dans le DCX avec un signal numérique. Celui-ci ne disposant que d’une entrée au standard AES/EBU il faut soit modifier son circuit d’entrée soit introduire dans la chaine un convertisseur numérique/numérique. Le SRC2496 réalise cette fonction sans dégradation du signal et permet éventuellement de sélectionner la source.


Problématique:


L’ajustement du volume général peux se faire directement par le DCX en jouant sur le niveau d’entrée mais cela dégrade la pleine échelle du signal d’entrée et donc induit la réduction de la dynamique et l’augmentation de la distorsion.

La seule solution efficace est d’ajuster le niveau sur chacune des sorties du DCX après conversion et donc en analogique. 

D’où l’introduction d’un contrôle de volume multicanaux.

Analyses des solutions:


Il faut donc agir sur les 6 canaux sortant du DCX. Dans ce cas il existe différentes solutions avec pour chacune des avantages et inconvénients.

Potentiomètre passif 6 canaux :


C'est de loin la solution la plus facile à mettre en œuvre mais pas dépourvue d’inconvénient. Le fait de coupler la sortie de l’appareil amont avec une charge résistive de faible valeur dégrade l'adaptation d’impédance.


L’ajout de transformateurs sur chaque canal peux éliminer ce  problème mais augmente considérablement le cout du projet si l’on souhaite des transformateurs de qualité. 

Les mauvaises liaisons sur les pistes ainsi que les différences de tolérance des potentiomètres induit des écarts considérables de gain entre les canaux.

Commutateur à résistance:


Solution également facile à mettre en œuvre. On peut trouver des commutateurs manuel ou à relais.

La tolérance des résistances est maîtrisée par leur sélection au préalable.


Mais cela reste du passif avec tous les autres inconvénients déjà évoqués sur l’adaptation d’impédence.

Transformateur variable :


Solution difficile à mettre en œuvre si l'on souhaite synchroniser les différents potentiomètres. En amont ou en aval des amplis la qualité des transformateurs détériorent fortement le signal. 


Transformateur à enroulements multiples :

Commutation des différents enroulements par relais ou commutateurs manuel. Une excellente solution mais à un cout élevé.


Le gros avantage est le maintien de l’adaptation d’impédance.

Potentiomètre actif :


Solution à base de composant discret. Existe par exemple chez SELECTRONIC. Mise en œuvre correcte et possibilité de l’acheté déjà assemblé.


Coûteux et même si les qualités sont prouvées les nombreuses discussions sur les forums laissent planer un certain doute.

Potentiomètre actif à base de circuits intégrés spécialisés :


Il existe de nombreux circuits intégrés spécialisés pour cette fonction. La mise en œuvre est moyennement difficile et relativement coûteuse mais les qualités sont garanties par les datasheets constructeur. 

Les avantages sont le maintien de l’adaptation d’impédance, liaison parfaite, différence de gain faible entre les canaux et qualité audio de très haut niveau pour certains circuits.

Il est également intéressant de récupérer la valeur de l'atténuation afin de l'afficher sur un afficheur LCD par exemple. En passant par un microcontroleur on peut aussi penser à la télécommande à distance. Les possibilités sont sans limites.

Choix:


C’est bien entendu la solution à base de circuits intégrés spécialisés qui sera retenu. Ils en existent de nombreux pouvant remplir la fonction de contrôle de volume avec des qualités très audiophiles. 


Parmi les plus connu nous avons le choix entre:

Le CS3318 est sans doutes celui qui présente les meilleurs performances néanmoins sont boitier TQFP sera difficile mettre en œuvre ainsi que son interface en 3.3V obligera dans la plus part des cas l’utilisation de convertisseurs de tension 3.3/5V.


Ensuite vient les PGA de TEXAS INSTRUMENTS avec tout de même excellentes performance sur tous les fronts. Leur réputation n’est plus à faire et leur mise œuvre avec boitier PDIP et interface 5V est des plus aisée.


Bien que le 2311 dispose de performances supérieures, le choix sera le 2310 uniquement pour le fait de sa sortie en +/-15V. Cela permettra dans le futur de piloter tous types d’amplis.

Cahier des charges et étude:


     Contrôle de volume actif par PGA2310

     Interface avec Micro-contrôleur

     Réglage de volume en façade avec bouton rotatif

     Afficheur fluorescent pour visualisation du volume général

     Menu de navigation pour réglage des gains en sortie

     Boutons poussoir en façade pour navigation dans les menus

     Cellule IR pour télécommande à distance


Réaliser un prototype à moindre frais afin de valider le concept

Conception :


Le Microcontrôleur est un PIC 16F877A, un circuit que je connais bien, qui présente toutes les fonctions requises pour ce projet et dont je dispose d’une platine d’essai. Les borniers à vis permettent l'accès à toutes les broches du PIC mais ne sont pas classés par fonction ce qui génère un peut de désordre dans le câblage.

Vous noterait également le support de circuit à force d'insertion nulle. C'est inévitable car mon kit de programmation est la version de base qui nécessite de retirer le microcontrôleur de sa platine à chaque cycle de programmation.

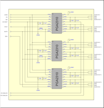
La carte PGA est réalisée en respectant à la lettre les préconisations de Texas Instruments. Les plans de masses sont bien distinctes entre la partie analogique et digitale. L'abscence d'embase RCA sur le circuit imprimé génère encore la pagaille au niveau du câblage.

Eléments de commande et d’affichage:


Pour la molette de réglage de volume il est choisi un commutateur rotatif à double sortie afin d’identifier le sens de rotation. Un solution bon marché et suffisante pour un prototype.


L’afficheur est le GU140x32F-7806A de chez NORITAKE. C’est un afficheur de type VFD pour «Vacuum Fluorescent Display». Il est très lumineux, suffisamment grand et facile à interfacer avec le microcontrôleur.

En ce qui concerne l’alimentation, les essais seront réalisés avec une bloc disponible qui peut fournir 5V et +/-15V. Une TXL 060-0533TI de chez TRACOPOWER. Ce n’est pas l’idéal pour l’audio mais elle a le mérite d’être disponible dans mon atelier.

Réalisation :


Comme tout prototype qui se respecte le boitier sera de récupération. Il s’agit d’un vieux décodeur HS dont j’ai vider les entrailles.

La carte PGA est définitive afin d’être réutilisée dans une version plus aboutie. Le tracé du circuit imprimé ainsi que le choix des composant respecte intégralement les préconisations de TEXAS INSTRUMENTS. 


Les raccordements vers le DCX sont directement soudés sur la platine PGA. Ce n’est des plus pratique mais au moins il n’y aura pas de faux contact dans les connecteurs.

L’aspect final n’est pas des plus beau et ne suit aucune déontologie audiophile mais il a le mérite de fonctionner !

Pour le juger du résultat final je vous propose de visiter la page du SYSTEME V6.

Évolutions :


Une alimentation plus audiophile à été réalisée afin d’alimenter la carte PGA. Le +5V pour la partie digitale et +/-15V pour l’analogique


Un alimentation dédiée 5V pour l’afficheur et la carte microcontrôleur. Il est important de souligner que l’afficheur consomme en permanence 400mA et près de 800mA à la mise sous tension.

Le cahier des charges de cette alimentation linéaire est simple : Délivrer une alimentation simple, stable et à faible bruit.

Pour le 5V une simple régulation est suffisante. Quant au +/-15V on choisit une double régulation en montant deux régulateurs en série. Un régulateur standard 15V (L7815CV) suivie d’un régulateur LDO 12V (LF120CV). La tension de sortie finale est de +/-12V ce qui est suffisant.

Conclusion:


Cette alimentation réduit le souffle et les PGA deviennent silencieux. Un gain en rapport signal sur bruit très certainement et en dynamique forcément. A l’époque je ne disposais pas d’appareils de mesures performants et seules des mesures de l’alimentation on été réalisées par la suite. A découvrir sur la page des mesures.

 
 
 
 

© 2021 www.phd-audio.fr